秦先生第23部姐妹杀剧情重磅发射,最无耻闹伴娘的视频30秒,《缠绕的夜晚》在线观看

欢迎来到江苏久里泵业有限公司 !
设为首页 | 加入收藏
立式工业自吸泵专业生产厂家
各种材质、各种型号一站式供应
找立式工业自吸泵?
——江苏久里泵业更专业!
服务热线:
0523-84526140
网站首页
关于我们
新闻资讯
产品中心
荣誉资质
车间展示
水泵应用
服务承诺
联系我们
产品中心
当前位置:首页 > 产品中心 > 化工泵 > FSB型氟塑料合金离心泵
FSB型氟塑料合金离心泵
日期:2018-10-19 浏览:10076

一、FSB型氟塑料合金离心泵产品概述:

FSB型氟塑料合金离心泵按国际标准设计,泵体采用金属外壳内衬聚全氟乙丙烯(F46), 泵盖、叶轮和轴套均用金属嵌件外包氟塑料整体烧结压制成型,轴封采用外装式波纹管机械密封,静环选用99%氧化铝陶瓷或氮化硅,动环采用四氟填充材料,耐腐耐磨,适用于输送任何浓度的硫酸、盐酸、醋酸、氢氟酸、硝酸、王水、强碱、强氧化剂、有机溶剂、还原剂等苛刻条件的强腐蚀性介质,是目前世界上最强耐腐蚀装备之一。其具有结构紧凑合理、耐强腐蚀、密封性能严密可靠、工作稳定、噪声低、机械强度高、不老化、无毒素分解、维修方便、流道光滑、效率高,节约能源等优点。杜绝跑、冒、滴、漏,广泛应用于化工、制酸、制碱、冶炼、稀土、农药、染料、医药、造纸、电镀、电解、酸洗、无线电、化成箔、科研机构、国防工业等行业。 本司产品全部采用计算机设计和优化处理,公司拥有雄厚的技术力量、丰富的生产经验和完善的检测手段,从而保证产品质量的稳定可靠。

二、FSB型氟塑料合金离心泵技术参数:

流量:3.6~100m3/h;
扬程:15~55m;
转速:2900r/min;
功率:1.5~18.5KW;
进口直径:25~100mm;
适用温度:-20℃~120℃。

三、FSB型氟塑料合金离心泵型号意义:

50FSB - 30D
50 – 吸入口直径(mm)
FS – 过流部件材料为氟塑料
B – 单级单吸悬臂式离心泵
30 – 设计扬程(m)
D – 短支架联接式

四、FSB型氟塑料合金离心泵性能参数:

型  号 流 量 m3\h 扬 程(m) 口  径 (mm) 功  率 (Kw) 转 速
(r/min)
汽蚀 余量
(m)
效 率
(%)
进口 出口 电机功率
 25FSB-10 1.5 10 25 20 1.5 2900 6 29
 25FSB-18 3.6 18 25 20 2.2 2900 6 27
 25FSB-25 3.6 25 25 20 2.2 2900 6 27
 40FSB-15 5 15 40 32 3 2900 6 40
 40FSB-20 10 20 40 32 4 2900 6 42
 40FSB-30 10 30 40 32 4 2900 6 38
 40FSB-40 10 40 40 32 5.5 2900 5.5 35
 40FSB-50 10 50 40 32 7.5 2900 5 33
 50FSB-20 15 20 50 40 4 2900 6 51
 50FSB-25 15 25 50 40 4 2900 6 49
 50FSB-30 15 30 50 40 4 2900 6 44.5
 50FSB-40 15 40 50 32 5.5/7.5 2900 5.5 35
 50FSB-50 15 50 50 32 7.5/11 2900 5.5 33
 50FSB-63 15 63 50 32 11 2900 5.5 30
 65FSB-32 29 32 65 50 5.5 2900 6 57
 65FSB40 29 40 65 40 11 2900 5.5 53
 65FSB-50 29 50 65 40 15 2900 5.5 46
 65FSB-64 29 64 65 40 15/18.5 2900 5.5 44
 80FSB-20 50 20 80 65 5.5 2900 6 69
 80FSB-25 50 30 80 65 7.5 2900 5.5 64
 80FSB-30 50 34 80 65 11 2900 5.5 64
 80FSB-40 50 40 80 50 11/15 2900 5.5 60
 80FSB-50 50 50 80 50 15/18.5 2900 6 53
 80FSB-55 50 55 80 50 15/18.5 2900 5.5 47
 80FSB-55 50 80 80 50 30/37 2900 5.5 36
 100FSB-32 100 32 100 80 18.5/22 2900 5.5 70
 100FSB-40 100 40 100 80 18.5/22 2900 5.5 70
 100FSB-50 100 50 100 65 22/30 2900 5.5 62

FSB型氟塑料合金离心泵结构图

ZS型不锈钢冲压离心泵材料对照表  

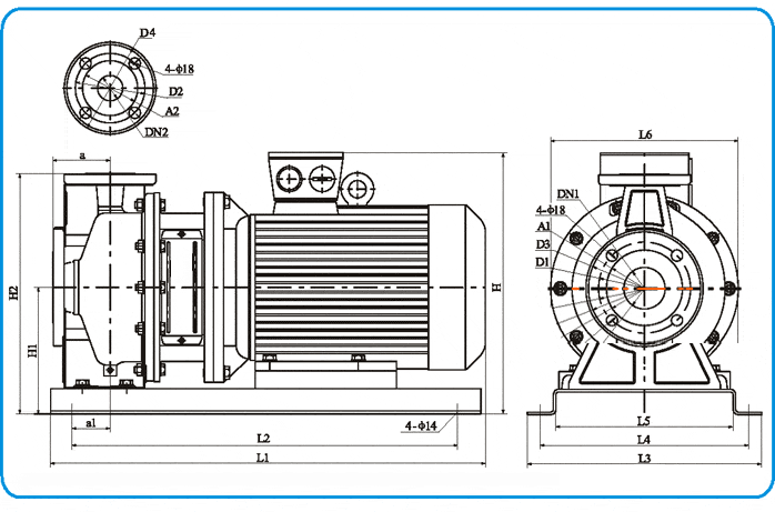
FSB型氟塑料合金离心泵尺寸图

ZS型不锈钢冲压离心泵尺寸表

网站首页 | 关于我们 | 新闻资讯 | 产品展示 | 荣誉资质 | 车间展示 | 水泵应用 | 服务承诺 | 联系我们

合作伙伴:螺杆泵

Copyright ? 江苏久里泵业有限公司版权所有
服务热线
电话:0523-84526140
主站蜘蛛池模板: 公主岭市| 边坝县| 大足县| 饶河县| 天津市| 静海县| 长沙市| 察隅县| 湾仔区| 沅陵县| 积石山| 阿克| 中宁县| 萨迦县| 蓝田县| 塔城市| 光山县| 吐鲁番市| 鸡西市| 屯昌县| 广平县| 岐山县| 于都县| 和硕县| 穆棱市| 宜昌市| 天峨县| 阜康市| 盱眙县| 来凤县| 怀化市| 乌鲁木齐市| 丹棱县| 桓台县| 天镇县| 灵武市| 宜宾市| 吴江市| 怀远县| 盐源县| 大埔县|